航插YD28 7P电机动力带刹车插头
查看详情>航插YD28 15P电机信号插头
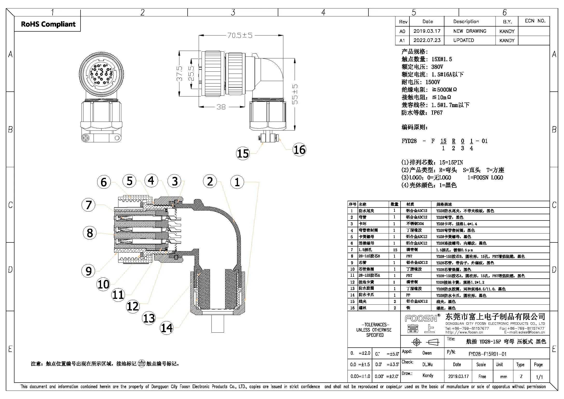
- 对标料号 FYD28-F15R01-01
- 对标品名 航插 YD28-15P 弯头 母焊线 压板式 黑色
- 主要材质 铝合金/PPS/硅胶/铜
-
产品特点
ISO认证厂家,产品品质达到ROHS、UL、REACH标准;
YD系列插头具备防尘、防溅水、防溅油的能力,防护等级可达IP67;
采用螺纹耦合方式,保障连接牢固性的同时,提供用电安全保护;
新型热固性绝缘材料,具有抗冲击、耐高温等特性,阻燃达UL-94 V0标准;
提供直式和弯式两种外形,适应不同的安装空间和布线需求;
母插头(孔)+公插座(针)满足电机端和线束端不同客户需求;
产品介绍
工程图
电性参数及材料
| 工作温度 | -55~+125°C |
| 绝缘电阻 | ≧5000MΩ |
| 介质耐压 | 1500V |
| 工作电压 | AC500V/DC700V |
| 寿命 | >=500次 |
注释:具体规格参考图纸
| 类型 | 材料 | 表面处理 |
| 外壳 | 压铸铝 | 军绿色电泳 |
| 绝缘体 | PPS塑料/胶木/橡胶 | 黑色/黄色 |
| 中心针 | 黄铜 | 镀金/镀银 |
下一页: 航插YD28 7P电机动力带刹车插头
产品新闻
